Notice: Undefined variable: tableInfo in /home/bjhtjxdx.com/public_html/controllers/home.con.php on line 183
发布日期:2019-12-23 | 浏览次数: | 来源:admin

优势
1. 牢固和可靠的设计
结实的底盘加以8mm的防护围板可以有效防护车体和内部零部件免受外界的机械冲击。金属的电池箱盖很大限度的减少维修和电池损坏。控制器IP 54的防护等级可以有效抵御灰尘和飞溅的水滴。

2.大容量免维护电池
配备160Ah免维护电池,按VDI换算工作时间可达12小时,连续工作时
间也长达7小时。与普通铅酸电池比:
不需添加任何液体
对接线桩头、电线腐蚀少
抗过充电能力强
起动电流大
电量储存时间长
使用过程中更加环保

3.配有慢速开关
可在狭小的空间内安全操作

4.更大的离地间隙
即使在坑洼、路况不好的场所。也能保证车辆较好的通过性

5. 内置式充电器设计
充电器安装在电池箱上方,只要打开电瓶箱盖,连接规定插头就可在任何地充电,非常地方便
6. 优良的车脚设计
单轮设计,车架高度75mm,叉头底部各有3个进入滚子,更易进入美式托盘。配备4个防擦地滚子退出美式托盘更容易。

7.维护方便
整车的设计和零部件的选用都使得维修更为容易。当取下仅有一个螺钉固定外罩时,所有的零部件便触手可及,驱动轮和转向轮都可以不吊整车轻松更换。
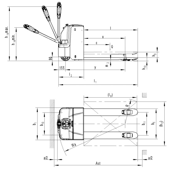
工业车辆参数表(VDI2198) | ||||
特性 | 1.2 | 型号 |
| PTE 18L |
1.3 | 驱动方式 |
| 电动 | |
1.4 | 操作方式(手动,步行,站驾,坐驾,拣选) |
| 步行式 | |
1.5 | 额定荷载能力 | Q (t) | 1.8 | |
1.6 | 载荷中心距 | c (mm) | 600 | |
1.8 | 前悬距 | x(mm) | 9481) | |
1.9 | 轴距 | y (mm) | 13601) | |
重量 | 2.1 | 含蓄电池时自重 | kg | 415 |
2.2 | 满载时轮子负载, 驱动轮侧/承重轮 | kg | 785/1430 | |
2.3 | 空载时轮子负载, 驱动轮侧/承重轮 | kg | 335/80 | |
轮子、车体 | 3.1 | 轮胎(实心橡胶,超弹性体,充气胎,聚氨脂胎) |
| 聚氨脂轮 |
3.2 | 前轮规格 | Æ x w (mm) | 210X70 | |
3.3 | 后轮规格 | Æ x w (mm) | 74X100 | |
3.4 | 稳定轮尺寸 | Æ x w (mm) | / | |
3.5 | 轮子数量 前/后(x=驱动轮) |
| 1×+2 | |
3.6 | 前轮轮距 | b10 (mm) | 560 | |
3.7 | 后轮轮距 | b11 (mm) | 525 | |
基本尺寸 | 4.4 | 提升高度 | h3 (mm) | 120 |
4.9 | 作业时手柄高度,小/大 | h14 (mm) | 770/1230 | |
4.15 | 货叉高度 | h13 (mm) | 75 | |
4.19 | 总体长度 | l1 (mm) | 1790 | |
4.20 | 车体长度 | l2 (mm) | 570 | |
4.21 | 总体宽度 | b1 (mm) | 729 | |
4.22 | 货叉尺寸 | s/e/l (mm) | 50/160/1220(1150) | |
4.25 | 货叉外宽 | b5 (mm) | 685 | |
4.32 | 最小离地间隙 | m2 (mm) | 25 | |
4.34 | 工作通道宽度,1000X1200托盘(1200沿货叉放置) | Ast(mm) | 2270 | |
4.35 | 转弯半径 | Wa (mm) | 15251) | |
性能 | 5.1 | 行驶速度,满载/空载 | km/h | 5.0/5.2 |
5.2 | 提升速度,满载/空载 | m/s | 0.025/0.030 | |
5.3 | 下降速度 ,满载/空载 | m/s | 0.030/0.025 | |
5.8 | 爬坡能力,满载/空载 | % | 8/12 | |
5.10 | 行车制动 |
| 电磁制动 | |
电机 | 6.1 | 驱动电机功率 | kW | 0.75 |
6.2 | 提升电机功率 | kW | 0.8 | |
6.3 | 蓄电池,根据DIN 43531/35/36 A,B,C,无标准 |
| / | |
6.4 | 蓄电池电压/容量 | V/Ah | 24/160 | |
6.5 | 蓄电池重量 | kg | 145 | |
6.6 | 能耗(VDI循环) | KWh/h | 0.30 | |
其它 | 8.1 | 驱动控制方式 |
| 交流速度控制 |
8.4 | 驾驶员耳边噪音水平根据EN12053 dB(A) | dB(A) | 69 | |
|
|
|
| |
| ||||

联系我们
CONTACT___US北京弘途机械设备有限公司
公司门店:
大兴地址:北京市大兴区庞各庄镇
顺义地址:北京市顺义区马坡桥北路东
廊坊地址:河北省廊坊市经济开发区北环道后王各庄
天津地址:天津市北辰区淮河道2号地天泰工业园
网址:www.bjhtjxdx.com
邮箱:fanghongxi8888@163.com