Notice: Undefined variable: tableInfo in /home/bjhtjxdx.com/public_html/controllers/home.con.php on line 183
发布日期:2019-12-23 | 浏览次数: | 来源:admin

PT 20D是一款双提升堆高车,用于货车的装卸和托盘的搬运、堆高,这是款灵活多变的车。它结合了搬运车和堆高车的双重功能,一次性搬运两个托盘,大大提高了生产效率。在狭小的空间也能灵活操作,是工厂、超市等场所货物搬运和堆垛的理想选择。
优势
· 双提升设计,能同时搬运两个托盘,大大的提高了生产效率。
主要特点
· 手柄设计符合人体工学,操作舒适,所有操作功能都能通过多功能手柄简单的实现;采用Canbus技术的多功能手柄(可选),性能更加稳定,全部操作都能通过手柄实现,IP54的防护等级能有效防尘防水,提高元件的可靠性,故障率大大降低。

· 有效载荷达为:搬运车模式2000kg,堆高车1000kg,双提升模式1000+1000kg。
· 外观新颖,美观,整体式外罩,方便安装、维护,电瓶箱盖凹槽式设计,有较多的存储空间方便储物。
· 长的操作手柄使操作者和车辆间有足够的安全距离从而确保操作者的安全,操作灵活舒适。
· 电瓶能从侧向移出,保证能快速的更换电瓶,特别适合多班制场合。

· 交流电机功率强劲,无碳刷免维护,它的能保证高速和在任何情况下具有强劲的加速度,是理想的高速的搬运设备。

· 采用的电池容量可达210Ah,电池维护方便,是大载荷和长时间作业的理想选择。

· 门架采用高强度型钢,保证稳定的完成起升搬运作业。
· 挡货架配置(可选),能更好的保护操作者和车体的安全。

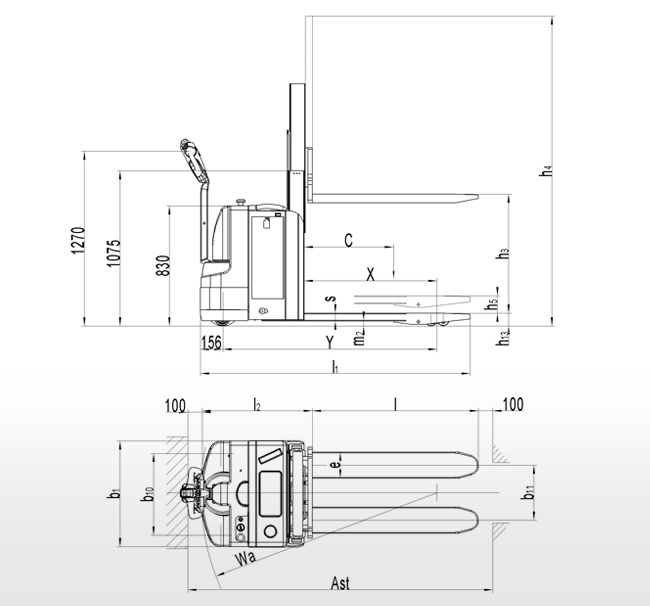
基本尺寸 | 4.3 | 提升高度 | h3 (mm) | 1200 |
4.5 | 展开高度 | h4 (mm) | 1830 | |
4.6 | 初始提升高度 | h5 (mm) | 120 | |
4.9 | 操作手柄在中立位置时的高度 | h14 (mm) | 1270 | |
4.15 | 货叉降低时高度 | h13 (mm) | 90 | |
4.19 | 总体长度 | l1 (mm) | 1930 | |
4.2 | 车体长度 | l2 (mm) | 785 | |
4.21 | 车体宽度 | b1 (mm) | 730 | |
4.22 | 货叉尺寸 | s/e/l (mm) | 60 / 180 / 1150 | |
4.25 | 货叉外间宽(上/下) | b5 (mm) | 560/510 | |
4.32 | 轴距中心距地间隙 | m2 (mm) | 25 | |
4.33 | 直角堆垛通道宽度,托盘1000X1200(1200跨货叉放置) | Ast (mm) | 2450 | |
4.34 | 直角堆垛通道宽度,托盘800X1200(1200沿货叉放置) | Ast (mm) | 2355 | |
4.35 | 转变半径 | Wa(mm) | 1640 | |
性能 | 5.1 | 行驶速度 满载/空载 | km/h | 4.8/5.0 |
5.2 | 提升速度 满载/空载 | mm/s | 90/130 | |
5.3 | 下降速度 满载/空载 | mm/s | 80/65 | |
5.8 | 爬坡能力 满载/空载 | % | 6/10 | |
5.1 | 行车制动 |
| 电磁制动 | |
电机 | 6.1 | 驱动电机功率 | kW | 1.5 (AC) |
6.2 | 提升电机功率 | kW | 1.2 | |
6.3 | 电池,英国BS标准 |
| 3VBS | |
6.4 | 蓄电池电压,容量(5小时放电率) | V/ Ah | 24/210 | |
6.5 | 电池重量(+/-5%) | kg | 185 | |
6.6 | 能量消耗(VDI循环) | kWh/h |
| |
其他 | 8.1 | 驱动控制方式 |
| 三相交流 |
8.4 | 驾驶员耳边噪音水平 | dB(A) | <70 | |
1)上下托盘一起提升时:上托盘额定承载能力为1t,下托盘额定承载能力为1t | ||||
联系我们
CONTACT___US北京弘途机械设备有限公司
公司门店:
大兴地址:北京市大兴区庞各庄镇
顺义地址:北京市顺义区马坡桥北路东
廊坊地址:河北省廊坊市经济开发区北环道后王各庄
天津地址:天津市北辰区淮河道2号地天泰工业园
网址:www.bjhtjxdx.com
邮箱:fanghongxi8888@163.com