Notice: Undefined variable: tableInfo in /home/bjhtjxdx.com/public_html/controllers/home.con.php on line 183
发布日期:2019-12-23 | 浏览次数: | 来源:admin

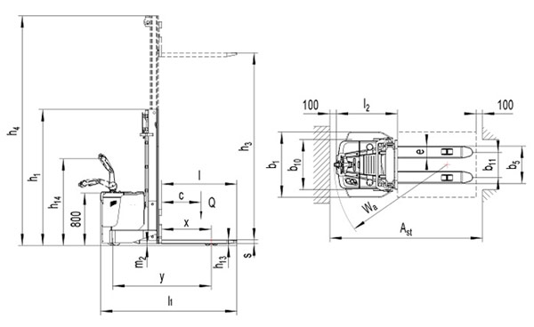
工业车辆参数表(VDI2198) | ||||||
特性 | 1.2 | 型号 |
| PS 20 | ||
2600 | 2900 | 3600 | ||||
1.3 | 动力 |
| Battery | |||
1.4 | 驾驶方式 |
| Pedestrian | |||
1.5 | 额定承载能力 | Q(t) | 2 | |||
1.6 | 载荷中心距 | C(mm) | 600 | |||
1.8 | 前悬距 | x(mm) | 760 | |||
1.9 | 轴距 | y(mm) | 1508 | |||
重量 | 2.1 | 自重(包括蓄电池) | Kg | 1440 | 1460 | 1515 |
2.2 | 满载时桥负荷 驱动轮侧/承重轮侧 | Kg | 1245/ | 1250/ | 1270/ | |
2.3 | 空载时桥负荷驱动轮侧/承重轮侧 | Kg | 1020/ | 1030/ | 1070/ | |
轮子、底盘 | 3.1 | 轮子,橡胶实心轮,聚胺酯轮 |
| Polyurethane (PU) | ||
3.2 | 轮子尺寸,驱动侧 | ÆxW (mm) | Ф230×75 | |||
3.3 | 轮子尺寸,承重侧 | ÆxW (mm) | Ф84×70 | |||
3.4 | 稳定轮尺寸 | ÆxW (mm) | Ф124x60 | |||
3.5 | 车轮数量(驱动侧/承重侧,X=驱动轮) |
| 1x+2/4 | |||
3.6 | 轮距,驱动侧 | b10(mm) | 766 | |||
3.7 | 轮距,承重侧 | b11(mm) | 400/515 | |||
基本尺寸 | 4.2 | 门架缩回时高度 | h1(mm) | 1930 | 2080 | 2430 |
4.3 | 自由提升高度 | h2(mm) | - | |||
4.4 | 提升高度 | h3(mm) | 2515 | 2815 | 3515 | |
4.5 | 作业时门架最大高度S | h4(mm) | 3187.5 | 3487.5 | 4187.5 | |
4.9 | 作业时手柄高度,最大/最小 | h14(mm) | 964/1326 | |||
4.15 | 门架缩回时货叉高度 | h13(mm) | 85 | |||
4.19 | 总体长度 | l1(mm) | 2083 | |||
4.20 | 车体长度 | l2(mm) | 933 | |||
4.21 | 车体宽度 | b1(mm) | 1000 | |||
4.22 | 货叉尺寸 | s/e/l(mm) | 60/185/1150 | |||
4.25 | 货叉外宽 | b5(mm) | 570/685 | |||
4.32 | 最小离地间隙 | m2(mm) | 25 | |||
4.33 | 通道宽度1000X1200跨货叉放 | Ast(mm) | 2572 | |||
4.34 | 通道宽度 800X1200 沿货叉放 | Ast(mm) | 2520 | |||
4.35 | 转弯半径 | Wa(mm) | 1725 | |||
性能 | 5.1 | 行驶速度满载/空载 | km/h | 5.2/5.5 | ||
5.2 | 起升速度满载/空载 | m/s | 0.11/0.16 | |||
5.3 | 下降速度满载/空载 | m/s | 0.1/0.1 | |||
5.8 | 最大爬坡能力满载/空载 | % | 6/12 | |||
5.10 | 行车制动 |
| Electromagnetic | |||
电机 | 6.1 | 驱动电机功率 | kw | 1.3 | ||
6.2 | 提升电机功率 | kw | 3.0 | |||
6.3 | 蓄电池, DIN 43531/35/36 |
| B,3PzS | |||
6.4 | 蓄电池电压/容量 | V/Ah | 24/350 | |||
6.5 | 蓄电池重量 +/-5% | kg | 288 | |||
6.6 | 按VDI循环能耗 | kWh/h | 2.83 | |||
其它 | 8.1 | 驱动控制方式 |
| AC- speed control | ||
8.4 | 驾驶员耳边噪音水平 根据EN12053 | dB(A) | 69 | |||
联系我们
CONTACT___US北京弘途机械设备有限公司
公司门店:
大兴地址:北京市大兴区庞各庄镇
顺义地址:北京市顺义区马坡桥北路东
廊坊地址:河北省廊坊市经济开发区北环道后王各庄
天津地址:天津市北辰区淮河道2号地天泰工业园
网址:www.bjhtjxdx.com
邮箱:fanghongxi8888@163.com