Notice: Undefined variable: tableInfo in /home/bjhtjxdx.com/public_html/controllers/home.con.php on line 183
发布日期:2019-12-23 | 浏览次数: | 来源:admin

自提升堆高车是客户运用于配送物料仓库的明智选择,特别适合随车进行物料配送,能通过一台堆高车实现异地的多种堆垛和搬运任务,充分发挥此种物料配送的随机性及灵活性,可能的提高工作效率及避免操作人员的重复劳动,大大提高经济效益。
· 本车具有自提升功能,功能独特,整车方便随车运输,可以一车多用。
· 本车独特的结构布置,可以保证在空车情况下完成整车在货箱上的自提升。
· 采用诺力免维护电池,性能稳定可靠。
· 采用高质量的液压油泵,提升迅速,噪音低。
· 内置式充电器,随时随地便捷充电。
· 长操作手柄在操作者和车辆间提供足够的安全距离从而确保操作者的安全,操作灵活舒适。
· 在手柄和车体上分别布置了两组起升下降操作按钮,即使车辆自提升时也能方便的操控。
· 转向轮有脚踩式刹车,提高整车安全性能。
· 车腿中间设有过渡小轮,能在车体实现自提升后轻松地将整车推入平台。
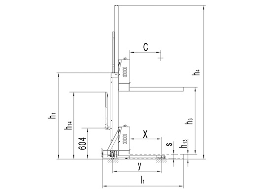
根据VDI 2198 标准的工业车辆类型表 | ||||||
特性 | 1.2 | 型号 |
| PS05F-1300 | PS05F-800 | |
1.3 | 动力 (电动, 柴油, 汽油, 液化石油气,电气) |
| 手动 | |||
1.4 | 驾驶方式 (手动式, 步行式, 站驾式, 座驾式, 拣选式) |
| 步行式 | |||
1.5 | 额定承载能力 | Q(t) | 0.5 | |||
1.6 | 载荷中心距 | C(mm) | 500 | |||
1.8 | 前悬距 | X(mm) | 618 | |||
1.9 | 轮距 | Y(mm) | 951 | |||
重量 | 2.1 | 重量 (包括蓄电池) | kg | 303 | 277 | |
2.2 | 满载时桥负荷前/后 | kg | 237/566 | 225/552 | ||
2.3 | 空载时桥负荷前/后 | kg | 175/128 | 163/114 | ||
车轮 | 3.1 | 轮胎 (橡胶轮, 高性能弹性体, 气胎轮, 聚胺酯轮) |
| 尼龙/聚氨酯 (PU) | ||
3.2 | 前轮尺寸 | Æ x w (mm) | Æ128 × 40 | |||
3.3 | 后轮尺寸 | Æ x w (mm) | Æ74 × 60 | |||
3.5 | 轮子数量(前/后) |
| 2/4 | |||
3.6 | 轮距(前面) | b10(mm) | 768 | |||
3.7 | 轮距(后面) | b11 (mm) | 386 | |||
尺寸 | 4.2 | 门架缩回时高度 | h1 (mm) | 1681 | ||
4.4 | 提升高度 | h3 (mm) | 1300 | 800 | ||
4.5 | 作业时门架最大高度 | h4 (mm) | 3000 | 1990 | ||
4.9 | 手柄在最小/最大驱动位置时的高度 | h14mm | 950/1300 | |||
4.15 | 货叉降低时高度 | h13mm | 80 | |||
4.19 | 总体长度 | l1(mm) | 1608 | |||
4.20 | 车体长度 | l2(mm) | 558 | |||
4.21 | 总体宽度 | b1(mm) | 888 | |||
4.22 | 货叉尺寸 | s/ e/ l(mm) | 75/160/1050 | |||
4.25 | 货叉臂间的距离 | b5 (mm) | 540 | |||
4.33 | 托盘 1000X1200 交叉时通道宽度 | Ast (mm) | 2481 | |||
4.34 | 托盘 800X1200 纵向时通道宽度 | Ast (mm) | 2181 | |||
4.35 | 转弯半径 | Wa (mm) | 1200 | |||
性能 | 5.2 | 提升速度满载/空载 | m/s | 0.047/0.060 | ||
5.3 | 下降速度满载/空载 | m/s | 0.144/0.103 | |||
电机 | 6.2 | 提升电机功率 S3 7.5% | kW | 0.8 | ||
6.3 | 蓄电池 根据 DIN 43531/ 35/ 36 A, B, C标准 |
| 免维护 | |||
6.4 | 蓄电池电压,额定容量 K5 | V/Ah | 12/42 | |||
6.5 | 蓄电池重量 | kg | 14 | |||
联系我们
CONTACT___US北京弘途机械设备有限公司
公司门店:
大兴地址:北京市大兴区庞各庄镇
顺义地址:北京市顺义区马坡桥北路东
廊坊地址:河北省廊坊市经济开发区北环道后王各庄
天津地址:天津市北辰区淮河道2号地天泰工业园
网址:www.bjhtjxdx.com
邮箱:fanghongxi8888@163.com